





Een kruis is een type pijpaanpassing met vier openingen op één verbinding. De pasvorm ziet eruit als een kruis en verbindt vier verschillende pijpen in één punt. Het heeft meestal met oplosmiddel gelaste stopcontacten of door vrouwen met een vrouw.
Gelijke kruisaanpassing is een kruis met alle vier de openingen van dezelfde diameter en verbinden met vier buizen met dezelfde diameter.
Kruispijpfittingen worden gebruikt om pijpen aan te sluiten en de stroom te wijzigen of te regelen door een leidingsysteem. De dimensies zijn een belangrijke rol bij het bepalen van de kracht en stabiliteit. Wanneer pijpen van dezelfde grootte zijn verbonden en vloeistoffen uit één richting stromen, worden deze in drie richtingen verdeeld. Cross-pipe fitting zal worden onderworpen aan grote drukproblemen wanneer vloeistof in drie richtingen stroomt en naar verwachting in één richting zal bewegen.
Kruispijpfittingen kunnen buizen benadrukken naarmate de temperatuur veranderen vanwege hun vierweg-aard. Daarom worden kruisbuizen over het algemeen niet gebruikt als pijpleidinghydraulische componenten. Omgekeerd, waar thermische uitbreiding geen probleem is, zijn cross-fittings voordeliger.
Invoering
| Gelijk Kruis | |
| Item | Roestvrij staal gelijk kruis |
| Standaard | ASME: ANSI B16.9, ANSI B16.28, MSS-SP-43 En: EN10253-1, EN10253-2 DIN: DIN2605, DIN2615, DIN2616, DIN2617, DIN28011 ASME B16.25- Butt Las-uiteinden ASME B16.28- TRAGHT STALEN KORTE STRADIUS ELBOWS EN BUTT LAS RETOUREN MSS SP-43-gefabriceerde en bewerkte kont-weldzakken voor corrosiebestendige, lage druktoepassingen ASTM A403-ASME SA403-Specificatie voor vervalste Austenitische roestvrijstalen leidingen Fittingen ASME B16.9-BROOTDE Fittingen Butt Lassen |
| Materiaal | Roestvrij staal, legeringsstaal, duplex, nikkellegeringen, lage temperatuurstaal, koolstofstaal, enz. |
| Oppervlak | Gegloeid en ingemaakt, hete dip galvaniserend, elektro -polish, transparante olie, zinkplaten, zwarte verf, vernissen |
| Type | Pushed, druk, smeden, cast, etc. |
| maat | ½ "-48" |
| Levertijd | Binnen 5-30 dagen na ontvangst van de prepaid |
| Verpakking | Krimp gewikkeld doos pallet of in zeewaardig houten behuizing |
| Sollicitatie | Fittingen om pijp en buizen in petroleum, stroom, chemisch, constructie, gas, metallurgie, scheepsbouw te verbinden, enz. |
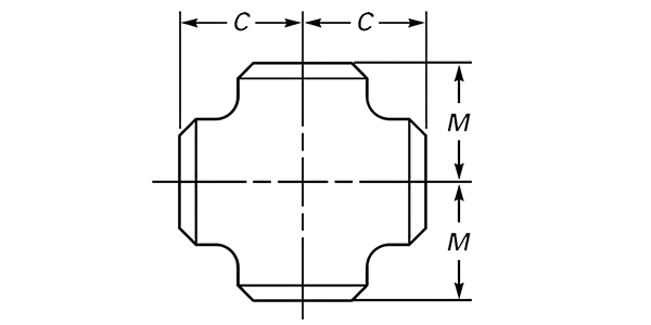
| Nominale pijpmaat | Nominale pijpmaat | Centrum om te eindigen (in.) | |
| NPS | (in.) | Run, c | Uitlaat, m |
| ½ | 0.84 | 1.00 | 1.00 |
| ¾ | 1.05 | 1.12 | 1.12 |
| 1 | 1.32 | 1.50 | 1.50 |
| 1¼ | 1.66 | 1.88 | 1.88 |
| 1½ | 1.90 | 2.25 | 2.25 |
| 2 | 2.38 | 2.50 | 2.50 |
| 2½ | 2.88 | 3.00 | 3.00 |
| 3 | 3.50 | 3.38 | 3.38 |
| 3½ | 4.00 | 3.75 | 3.75 |
| 4 | 4.50 | 4.12 | 4.12 |
| 5 | 5.56 | 4.88 | 4.88 |
| 6 | 6.62 | 5.62 | 5.62 |
| 8 | 8.62 | 7.00 | 7.00 |
| 10 | 10.75 | 8.50 | 8.50 |
| 12 | 12.75 | 10.00 | 10.00 |
| 14 | 14.00 | 11.00 | 11.00 |
| 16 | 16.00 | 12.00 | 12.00 |
| 18 | 18.00 | 13.50 | 13.50 |
| 20 | 20.00 | 15.00 | 15.00 |
| 22 | 22.00 | 16.50 | 16.50 |
| 24 | 24.00 | 17.00 | 17.00 |
| 26 | 26.00 | 19.50 | 19.50 |
| 28 | 28.00 | 20.50 | 20.50 |
| 30 | 30.00 | 22.00 | 22.00 |
| 32 | 32.00 | 23.50 | 23.50 |
| 34 | 34.00 | 25.00 | 25.00 |
| 36 | 36.00 | 26.50 | 26.50 |
| 38 | 38.00 | 28.00 | 28.00 |
| 40 | 40.00 | 29.50 | 29.50 |
| 42 | 42.00 | 30.00 | 28.00 |
| 44 | 44.00 | 32.00 | 30.00 |
| 46 | 46.00 | 33.50 | 31.50 |
| 48 | 48.00 | 35.00 | 33.00 |
Opgericht in 2007 en verhuisd naar Longyou Economic Development Zone, de provincie Zhejiang, in 2022. Het omvat een oppervlakte van 130.000 vierkante meter, meer dan 30 productielijnen, 300 werknemers, 20 R & D -mensen, 30 inspectiemansen en een jaarlijkse output van 50.000 ton.
It has passed ISO9001:2008 quality management system, PED 97/23/EC EU Pressure Equipment Directive certification, China Special Equipment Manufacturing License (Pressure Tube) TS certification, ASME certification, provincial enterprise standardization management system, ISO14000:2004 environment management system, cleaner production (green enterprise), and a series of certifications, as well as China Classification Society (CCS), American Bureau of Shipping (ABS), British Register of Verzending (LR), Deutsche Veritas (GL), Bureau Veritas Society (BV), Det Norske Veritas (DNV) en Korean Register of Shipping (KR) fabriekscertificering.
De belangrijkste producten omvatten roestvrijstalen buizen, pijpfittingen, flenzen, kleppen, enz., Die op grote schaal worden gebruikt in petroleum, chemische industrie, nucleaire industrie, smelten, scheepsbouw, farmaceutische producten, voedsel, waterbehoud, elektrische stroom, nieuwe energie, mechanische apparatuur en andere velden. Het bedrijf houdt zich aan het bedrijfstech van "kwaliteit voor overleven, reputatie voor ontwikkeling" en dient van harte elke klant om een win-win situatie te creëren.





Massadichtheid van zacht staal: basisprincipes en praktisch belang De massadichtheid van zacht staal is een fundamentele eigenschap die rechtstreeks van invloed is op de manier waarop ingenieurs...
Bekijk meerInleiding tot laaggelegeerd staalmateriaal Laaggelegeerd staalmateriaal is een staalsoort die naast koolstof een klein percentage legeringselementen bevat, doorgaans minder dan 8%. Deze elemente...
Bekijk meerOverzicht — wat "gewicht per kubieke inch" betekent voor roestvrij staal "Gewicht per kubieke inch" is eenvoudigweg de massa (in ponden) van één kubieke inch materiaal. Voor roestvrij staal is d...
Bekijk meerWe zullen uw e -mailadres en u nooit delen
kunnen op elk gewenst moment afmelden, beloven we.